Вентилятор ВДН-8-1000
Вентилятор дутьевой центробежный котельный серии ВДН с диметром рабочего колеса 8 дм, электродвигателем мощностью 11 кВт и частотой вращения 1000 об/мин. Имеет спиральный узкий поворотный корпус. Лопатки загнуты назад. Направление вращения: левое и правое. Предназначен для нагнетания приточного воздуха в топки паровых и водогрейных котлов, используется для воздухоподачи в технологических процессах на производстве и может выполнять роль дымососа.
В нашем интернет-магазине вы можете купить Вентилятор ВДН-8-1000 по выгодной цене. Оформить заказ можно онлайн или по телефонам.
| Цена: |
85 000
|
Характеристики
Устройство и принцип работы
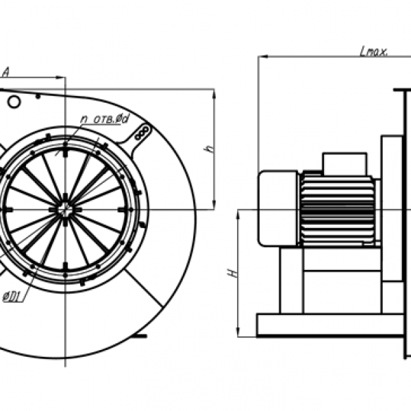
Механизм вентилятора ВДН-8-1000 состоит из ряда основных деталей: рабочего колеса, спиралеобразного корпуса (улитки), шибера, специальной установочной рамы и электрического двигателя. Вентилятор ВДН-8-1000 может быть ориентирован как на правостороннее, так и на левостороннее вращение рабочего колеса.
Монтаж вентилятора ВДН-8-1000 подразумевает предварительное сооружение бетонного фундамента, на который устанавливается агрегат.
Особенности и преимущества
- Максимальная частота вращения 1500 об/мин;
- Оптимальная температура эксплуатации: от -30 до +40°С;
- Допускается к использованию в умеренном климате без резких скачков температуры.
Условное обозначение
Буквенное обозначение:
- ВД – вентилятор дутьевой;
- Н – загнутые назад лапки;
Числовое обозначение:
- 8 – размер рабочего колеса в дециметрах.
Комплектация
В комплектацию вентилятора ВДН-8-1000 включен электропривод. Товар поставляется в полной заводской сборке.
22 лет
на рынке
Описание достоинства
производственная
база
Описание достоинства
ассортимент
товаров
Описание достоинства
на все
товары
Описание достоинства
с выбором?
Вентилятор дутьевой центробежный котельный серии ВДН с диметром рабочего колеса 8 дм, электродвигателем мощностью 11 кВт и частотой вращения 1000 об/мин. Имеет спиральный узкий поворотный корпус. Лопатки загнуты назад. Направление вращения: левое и правое. Предназначен для нагнетания приточного воздуха в топки паровых и водогрейных котлов, используется для воздухоподачи в технологических процессах на производстве и может выполнять роль дымососа.
Циклон ЦН-15-600-4СП — самый надежный агрегат для очистки воздуха в промышленных помещениях. Используя центробежную силу, циклон отделяет твердые частицы от газов и направляет пыль в бункер. Осадок можно использовать вторично, если это уместно.
Циклон ЦН-11-700-2УП — самый надежный агрегат для очистки воздуха в промышленных помещениях. Используя центробежную силу, циклон отделяет твердые частицы от газов и направляет пыль в бункер. Осадок можно использовать вторично, если это уместно.
Дымосос котельный радиальный одностороннего всасывания серии ДН с диметром рабочего колеса 6,3 дм и электродвигателем мощностью 4 кВт с частотой вращения 1000 об/мин. Имеет спиральный поворотный корпус. Лопатки загнуты назад. Направление вращения: левое и правое. Предназначен как для отвода дымовых газов, так и для нагнетания приточного воздуха в топки паровых и водогрейных газомазутных котлов, также может использоваться в технологических установках на предприятиях.















